网站首页
关于我们
公司介绍
企业文化
资质证书
产品中心
混合式步进系统
一体化步进系统
电缸系统
无刷电机
伺服电机
减速机
控制器
雕刻机
新闻资讯
公司新闻
行业新闻
技术支持
下载中心
客服中心
在线留言
常见问题
售后服务
人才合作
人才理念
员工风采
未来合伙人招募
联系我们
Language
Choose a different language
English
العربية
Deutsch
Español
français
italiano
Português
русский
开环步进电机
首页
>>
产品中心
>>
混合式步进系统
>>
开环步进电机
开环步进电机
闭环步进电机
开环电机驱动器
闭环电机驱动器
直线步进电机
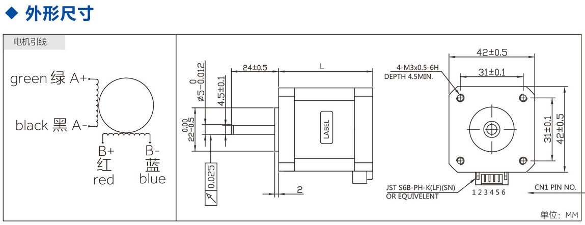
42HS(1.8°)系列二相混合式步进电机
0510-8272 9456
产品详情
概述
技术数据
概述
技术数据
关于我们
公司介绍
企业文化
资质证书
产品中心
混合式步进系统
一体化步进系统
电缸系统
无刷电机
伺服电机
减速机
控制器
雕刻机
新闻资讯
公司新闻
行业新闻
技术支持
下载中心
客服中心
在线留言
常见问题
售后服务
人才合作
人才理念
员工风采
未来合伙人招募
联系我们
0510-8272 9456
18013786835